咨询热线(微信同号)
18610889977
PRODUCTS/ 产品展示
首页  >  产品展示  >  三菱PLC  >  三菱CC-LINK模块  >  三菱cc-link模块

三菱cc-link模块

简要描述:AJ65SBTC1-32DT1三菱cc-link模块【模块安装螺栓】带平垫圈磨圆M4螺栓(扭紧力矩范围79~108N·cm)可以通过DIN轨安装,可以6方向安装

产品目录
详细介绍
品牌其他品牌供货周期一周
应用领域环保,化工,电子/电池,电气

AJ65SBTC1-32DT1三菱cc-link模块,属于直接安装连接器型复合模块,16点正公共端漏型输入,16点晶体管漏型输出,0.2ms高速输入响应。


三菱cc-link模块AJ65SBTC1-32DT1产品详细介绍:
AJ65SBTC1-32DT1输入规格】
  ◆ 输入形式:正公共端(漏型)
  ◆ 输入点数:16点
  ◆ 绝缘方式:光耦合器绝缘
  ◆ 额定输入电压:DC24V
  ◆ 额定输入电流:约5mA
  ◆ 使用电压范围:DC19.2~26.4V(波动率5%以内)
  ◆ 最大同时输入点数:100%
  ◆ ON电压/ON电流:15V以上/3mA以上
  ◆ OFF电压/OFF电流:3V以下/0.5mA以下
  ◆ 输入电阻:约4.7kΩ
  ◆ 响应时间:0.2ms以下(DC24V时)


AJ65SBTC1-32DT1输出规格】
  ◆ 输出形式:漏型
  ◆ 输出点数:16点
  ◆ 绝缘方式:光耦合器绝缘
  ◆ 额定负荷电压:DC24V
  ◆ 使用负荷电压范围:DC19.2~26.4V(波动率5%以内)
  ◆ 最大负荷电流:0.1A/1点 1.6A/1公共端
  ◆ 最大突入电流:1.0A l0ms以下
  ◆ OFF时泄漏电流:0.25mA以下
  ◆ ON时最大电压降:0.3V以下(TYP) 0.6A 0.1V以下
  ◆ 保护功能:过载/过电压/过热保护功能
  ◆ 响应时间:
   ·OFF->ON:0.5ms以下
   ·ON->OFF:1.5ms以下(电阻负荷)
  ◆ 输出部分外部供给电源:
   ·电压:DC19.2~26.4V(波动率5%以内)
   ·电流:17mA以下(DC24V、全部点ON时)不包含外部负荷电流
  ◆ 过电流抑制器:齐纳二极管
【公共端方式】32点1公共端(直接安装连接器型1线式)
【占用站数】1站分配32点(使用32点)
【I/O模块电源】
  ◆ 电压:DC20.4~26.4V(波动率5%以内)
  ◆ 电流:50mA以下(DC24V时)
【噪声强度】通过DC型的噪声电压500VP-P,噪声宽度1μs,噪声频率25~60Hz的噪声模拟器所产生的噪声
【耐电压】DC外部端子汇总-接地之间AC500V 1分钟期间
【绝缘电阻】DC外部端子汇总-接地之间DC500V绝缘电阻计测量l0Ω以上
【保护等级】IP2X
【重量】0.16kg
【外部连接方式】
  ◆ 通信部分、I/O模块电源部分:
      7点2段式端子排[传送回路、I/O模块电源、FG]
      M3*5.2扭紧力矩59~88N·cm适用压装端子的插入个数为2个以内            
  ◆ 输入输出电源部分、输入输出部分:
      2点直接安装端子排[输入输出电源、I/O信号〕
      M3*5.2扭紧力矩59~88N·cm适用压装端子的插入个数为2个以内
【模块安装螺栓】带平垫圈磨圆M4螺栓(扭紧力矩范围79~108N·cm)可以通过DIN轨安装,可以6方向安装
【适用DIN轨】TH35-7.5Fe、TH35-7.5A1(基于JIS C 2812标准)
【适用压装端子】        
  ◆ RAV1.25-3(基于JIS C 2805标准)[适用电线尺寸:0.3~1.25mm2]
  ◆ V2-MS3(日本压装端子制造(株))、RAP2-3SL(日本端子(株))、TGV2-3N((株)NICHIFU)[适电缆尺寸:1.25~2.0mm2]

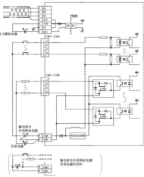
AJ65SBTC1-32DT1外部连接图:


产品咨询

留言框

  • 产品:

  • 您的单位:

  • 您的姓名:

  • 联系电话:

  • 常用邮箱:

  • 省份:

  • 详细地址:

  • 补充说明:

  • 验证码:

    请输入计算结果(填写阿拉伯数字),如:三加四=7
推荐产品
联系方式

邮箱:https://www.23anji.com

地址:上海市黄浦区黄河路21号鸿祥大厦11层(williamhill英国官网)

咨询热线(微信同号)

18610889977

(周一至周日9:00- 19:00)

在线咨询
  • williamhill英国官网-三菱电机

  • JOMO株式会社

Copyright©2026 williamhill英国官网 All Right Reserved    备案号:沪ICP备2022022333号-4    sitemap.xml