
| 品牌 | 其他品牌 | 供货周期 | 一周 |
|---|---|---|---|
| 应用领域 | 环保,化工,电子/电池,电气 |
AJ65SBTC1-32D是三菱cc-link模块,属于直接安装连接器型输入模块,16点正负公共端共用(漏型/源型)输入1.5ms输入响应。
三菱cc-link模块AJ65SBTC1-32D产品详细介绍:
【AJ65SBTC1-32D输入规格】
◆ 输入形式:正负公共端共用型(漏型/源型)
◆ 输入点数:16点
◆ 绝缘方式:光耦合器绝缘
◆ 额定输入电压:DC24V
◆ 额定输入电流:约5mA
◆ 使用电压范围:DC19.2~26.4V(波动率5%以内)
◆ 最大同时输入点数:80%
◆ ON电压/ON电流:14V以上/3.5mA以上
◆ OFF电压/OFF电流:6V以下/1.7mA以下
◆ 输入电阻:约4.7kΩ
◆ 响应时间:1.5ms以下(DC24V时)
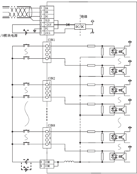
【公共端方式】32点1公共端(直接安装连接器型1线式)
【占用站数】1站分配32点(使用32点)
【I/O模块电源】
◆ 电压:DC20.4~26.4V(波动率5%以内)
◆ 电流:45mA以下(DC24V,全部点ON时)
【噪声强度】通过DC型的噪声电压500VP-P,噪声宽度1μs,噪声频率25~60Hz的噪声模拟器所产生的噪声
【耐电压】DC外部端子汇总-接地之间AC500V 1分钟期间
【绝缘电阻】DC外部端子汇总-接地之间DC500V绝缘电阻计测量l0Ω以上
【重量】0.16kg
【外部连接方式】
◆ 通信部分、I/O模块电源部分:
7点2段式端子排[传送回路、I/O模块电源、FG]
M3*5.2扭紧力矩59~88N·cm适用压装端子的插入个数为2个以内
◆ 输入输出电源部分、输入输出部分:
2点直接安装端子排[输入输出电源、I/O信号〕
M3*5.2扭紧力矩59~88N·cm适用压装端子的插入个数为2个以内
【模块安装螺栓】带平垫圈磨圆M4螺栓(扭紧力矩范围79~108N·cm)可以通过DIN轨安装,可以6方向安装
【适用DIN轨】TH35-7.5Fe、TH35-7.5A1(基于JIS C 2812标准)
【适用压装端子】
◆ RAV1.25-3(基于JIS C 2805标准)[适用电线尺寸:0.3~1.25mm2]
◆ V2-MS3(日本压装端子制造(株))、RAP2-3SL(日本端子(株))、TGV2-3N((株)NICHIFU)[适电缆尺寸:1.25~2.0mm2]
AJ65SBTC1-32D外部连接图:

邮箱:https://www.23anji.com
地址:上海市黄浦区黄河路21号鸿祥大厦11层(williamhill英国官网)

williamhill英国官网-三菱电机

JOMO株式会社