
| 品牌 | 其他品牌 | 供货周期 | 一周 |
|---|---|---|---|
| 应用领域 | 环保,化工,电子/电池,电气 |
AJ65VBTCE3-32D参数说明:DC输入32点正公共端(漏型)、DC24V 5mA、响应时间为1.5ms以下、32点1公共端、NMI类型、3线式、传感器连接器(e-CON)。
AJ65VBTCE3-32D三菱CC-LINK模块相关资料:
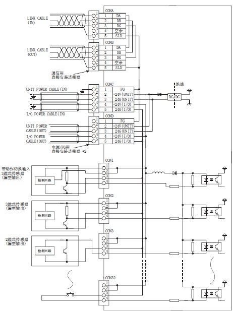
1、图片:
2、AJ65VBTCE3-32D用户手册 使用手册 操作手册 操作说明书
3、外形尺寸:50(H)*155(W)*45.5(D)[mm]
4、重量:0.16KG
三菱CC-LINK模块AJ65VBTCE3-32D规格(AJ65VBTCE3-32D参数)详细说明:
输入类型:DC 24V输入
输入点数:32点
绝缘方式:光耦合器绝缘
额定输入电压:DC24V
额定输入电流:约5mA
使用电压范围:DC19.2~26.4V(波动率5%以内))
最大同时输入点数:100% /75%
ON电压/ON电流:14V以上/3.5nA以上
OFF电压/OFF电流:6V以下/1.7mA以下
输入电阻:约4.7kΩ
响应时间:OFF->ON / ON->OFF 都为1.5ms以下(DC24V时)
公共端方式:32点1公共端(传感器连接器(e-CON) 3线式)
输入形式:正公共端(漏型)
占用站数:1站分配32点(使用32点)
I/O模块电源:
电压:DC20.4~26.4V(波动率5%以内)
电流:40mA以下((DC24V,全部点ON时)
噪声强度:通过DC型的噪声电压 500VP-P、噪声宽度1μs、噪声频率25~60Hz的噪声模拟器所产生的噪声
耐电压:DC外部端子汇总-接地间AC500V 1分钟期间
绝缘电阻: DC外部端子汇总-接地间 DC500V 绝缘电阻计测量10MΩ以上
保护等级:IP1XB
外部连接方式:
通信部分:
通信用直接安装连接器[传送回路]
(5针/压接型、连接器用插座另售:A6CON-L5P)
<选项>通信用在线连接器:A6CON-LJ5P
电源部分:
电源/FG用直接安装连接器[I/O模块电源/FG]
(5针/压接型、连接器用插座另售:A6CON-PW5P、A6CON-PW5P-SOD)
<选项>电源用在线连接器:A6CON-PWJ5P
输入输出部分:
传感器连接器(e-CON)[I/O信号](4针/压接型、连接器用插座另售)
适用DIN轨:TH35-7.5Fe、TH35-7.5A1(基于JIS C 2812标准)
适用电线尺寸:
通信用连接器:适用电缆:FANC-110SBH、CS-110
电源/FG用连接器:
0.66~0.98mm2 (AWG18)
[Ф2.2~3.0mm(A6CON-PW5P、Ф2.0~2.3mm(A6CON-PW5P-SOD)]
裸线直径 0.16mm以上
绝缘覆盖材质 PVC(耐热聚氯乙烯)
输入输出用连接器:传感器连接器(e-CON)连接器,用插座另售
连接线0.08~1.5mm2 (AWG28~16),根据所使用的连接器插座的不同面有所不同
AJ65VBTCE3-32D外部连接图


英国上市公司365-三菱电机

JOMO株式会社