
| 品牌 | 其他品牌 | 供货周期 | 一周 |
|---|---|---|---|
| 应用领域 | 环保,化工,电子/电池,电气 |
AJ65SBTC4-16DE属于三菱CC-LINK的直接安装连接器型输入模块!AJ65SBTC4-16DE价格、AJ65SBTC4 16DE供应商、AJ65SBTC416DE资料。
AJ65SBTC4-16DE三菱CC-LINK模块参数说明参数说明:DC24V、16点输入、负公共端(源型)、16点1公共端(直接安装连接器4 线式):DC24V、16点输入、负公共端(源型)、16点1公共端(直接安装连接器4 线式)
三菱CC-LINK模块AJ65SBTC4-16DE产品规格说明:
输入类型:DC 24V输入
输入点数:16点
绝缘方式:光耦合器绝缘
额定输入电压:DC24V
额定输入电流:约5mA
使用电压范围:DC19.2~26.4V(波动率5%以内))
最大同时输入点数:100%
ON电压/ON电流:14V以上/3.5mA以上
OFF电压/OFF电流:6V以下/1.7mA以下
输入电阻:约4.7kΩ
响应时间:1.5ms以下(DC24V时)
公共端方式:16点1公共端(直接安装连接器 4线式)
输入形式:负公共端(源型)
占用站数:1站分配32点(使用16点)
I/O模块电源:
电压:DC20.4~26.4V(波动率5%以内)
电流:35mA以下((DC24V,全部点ON时)
噪声强度:通过DC型的噪声电压 500VP-P、噪声宽度1μs、噪声频率25~60Hz的噪声模拟器所产生的噪声
耐电压:DC外部端子汇总-接地间AC500V 1分钟期间
绝缘电阻: DC外部端子汇总-接地间 DC500V 绝缘电阻计测量10MΩ以上
保护等级:IP2X
外部连接方式:
1 通信部分、I/O模块电源部分:
7点2段端子排[传送回路、I/O模块电源、FG]
2 输入输出电源部分:
2点直接安装端子排;输入输出部分外部供给电源
3 输入输出部分:
专用直接安装连接器:[I/O信号](4针/压装型、连接器用插座另售)
注:1与2 M3*5.2 扭紧力矩59~88N·cm;适用压装端子的插入个数为2个以内
模块安装螺栓:带平垫圈磨圆M4(扭紧力矩范围79~108N·cm);可以通讨DIN轨安装,可以6方向安装
适用DIN轨:TH35-7.5Fe、TH35-7.5A1(基于JIS C 2812标准)
适用电线尺寸:
通信部分、I/O模块电源部分、输入输出电源部分:适用压装端子
·RAV1.25-3(基于JIS C 2805标谁)[适用电线尺寸:0.3~1.25mm2]
·V2-MS3(日本压装端子制造(株))、RAP2-3SL(日本端子(株)),TGV2-3N((株)Nichifu)[适用电线尺寸:1.25^2.0mm2]
输入输出部分:
加工外形:Ф1.0~1.4(A6CON-P214)、Ф1.4~2.0(A6CON-P220)[适用电线尺寸:0.14~0.2mm2]
加工外形:Ф1.0~1.4(A6CON-P514)、Ф1.4~2.0(A6CON-P520)[适用电线尺寸:0.3~0.5mm2]
重量:0.15KG
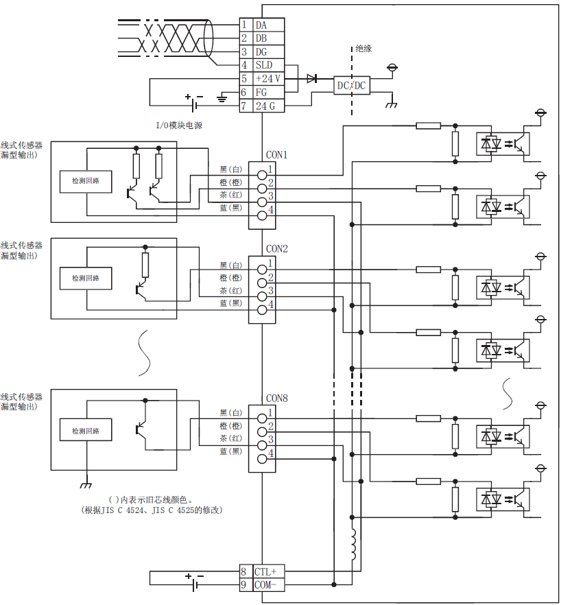
AJ65SBTC4-16DE外部连接图


英国上市公司365-三菱电机

JOMO株式会社