
| 品牌 | 其他品牌 | 供货周期 | 一周 |
|---|---|---|---|
| 应用领域 | 环保,化工,电子/电池,电气 |
AJ65SBTC4-16DN价格(面价)、AJ65SBTC4 16DN、AJ65SBTC416DN,三菱cc-link输入模块、直接安装连接器型输入模块。
AJ65SBTC4-16DN参数说明:DC输入16点 DC24V 5mA、响应时间1.5ms、16点1公共端(直接安装连接器4线式)
三菱cc-link输入模块AJ65SBTC4-16DN产品规格详细介绍:
【输入类型】DC 24V输入
【输入点数】16点
【绝缘方式】光耦合器绝缘
【额定输入电压】DC24V
【额定输入电流】约5mA
【使用电压范围】DC19.2~26.4V(波动率5%以内))
【最大同时输入点数】100%
【ON电压/ON电流】14V以上/3.5mA以上
【OFF电压/OFF电流】6V以下/1.7mA以下
【输入电阻】约4.7kΩ
【响应时间】1.5ms以下(DC24V时)
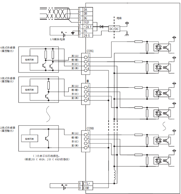
【公共端方式】16点1公共端(直接安装连接器 4线式)
【输入形式】正公共端(漏型)
【占用站数】1站分配32点(使用16点)
【I/O模块电源】
·电压:DC20.4~26.4V(波动率5%以内)
·电流:35mA以下((DC24V,全部点ON时)
【噪声强度】通过DC型的噪声电压 500VP-P、噪声宽度1μs、噪声频率25~60Hz的噪声模拟器所产生的噪声
【耐电压】DC外部端子汇总-接地间AC500V 1分钟期间
【绝缘电阻】DC外部端子汇总-接地间 DC500V 绝缘电阻计测量10MΩ以上
【保护等级】IP2X
【外部连接方式】
1 通信部分、I/O模块电源部分:
7点2段端子排[传送回路、I/O模块电源、FG]
2 输入输出电源部分:
2点直接安装端子排;输入输出部分外部供给电源
3 输入输出部分:
专用直接安装连接器:[I/O信号](4针/压装型、连接器用插座另售)
注:1与2 M3*5.2 扭紧力矩59~88N·cm;适用压装端子的插入个数为2个以内
【模块安装螺栓】带平垫圈磨圆M4(扭紧力矩范围79~108N·cm);可以通讨DIN轨安装,可以6方向安装
【适用DIN轨】TH35-7.5Fe、TH35-7.5A1(基于JIS C 2812标准)
【适用电线尺寸】
通信部分、I/O模块电源部分、输入输出电源部分:适用压装端子
·RAV1.25-3(基于JIS C 2805标谁)[适用电线尺寸:0.3~1.25mm2]
·V2-MS3(日本压装端子制造(株))、RAP2-3SL(日本端子(株)),TGV2-3N((株)Nichifu)[适用电线尺寸:1.25~2.0mm2]
输入输出部分:
·加工外形:Ф1.0~1.4(A6CON-P214)、Ф1.4~2.0(A6CON-P220)[适用电线尺寸:0.14~0.2mm2]
·加工外形:Ф1.0~1.4(A6CON-P514)、Ф1.4~2.0(A6CON-P520)[适用电线尺寸:0.3~0.5mm2]
【重量】0.15KG
AJ65SBTC4-16DN相关资料:
1、AJ65SBTC4-16DN用户手册 使用手册 操作手册
2、AJ65SBTC4-16DN外形尺寸:50(H)*118(W)*40(D)[mm]
3、AJ65SBTC4-16DN图片地址:
4、AJ65SBTC4-16DN外部连接图

邮箱:https://www.23anji.com
地址:上海市黄浦区黄河路21号鸿祥大厦11层(williamhill英国官网)

williamhill英国官网-三菱电机

JOMO株式会社