
| 品牌 | 其他品牌 | 供货周期 | 一周 |
|---|---|---|---|
| 应用领域 | 环保,化工,电子/电池,电气 |
LY20S6三菱PLC输出模块参数说明:晶体管输出16点、AC100~240V 0.6A/1点,4.8A/1公共端、响应时间1ms+0.5循环、16点1公共端、18点端子台
三菱PLC输出模块LY20S6产品规格说明:
输出点数:16点
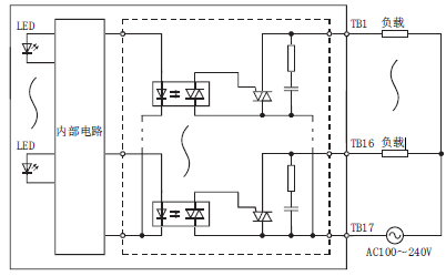
额定负载电压、频率:AC100~240V(+10%/-15%),50/60Hz(±3Hz)
最大负载电流:0.6A/1点,4.8A/1公共端
负载电压畸变率:5%以内
最大负载电压:AC264V
最小负载电压/电流:AC24V/100mA、AC100V/25mA、AC240V/25mA
最大浪涌电流:20A 1循环以下
OFF时泄漏电流:3mA以下(240V 60Hz时),1.5mA 以下(120V 60Hz时)
ON时最大电压降:1.5V 以下(负载电流0.6A时)
响应时间:OFF→ON:1ms+0.5循环以下、ON→OFF:1ms+0.5 循环以下( 额定负载、电阻负载)
浪涌抑制器:CR 吸收器
保险丝:无( 建议对每1 点的外部配线安装保险丝)
绝缘耐压:AC2830Vrms/3 循环( 标高2000m)
绝缘电阻:由绝缘电阻计10MΩ以上
噪声耐量:
模拟器噪声500Vp-p,噪声宽度1μs
通过噪声频率25~60Hz的噪声模拟器
保护等级:IP1X
公共端方式:16点1公共端(公共端端子:TB17)
输出输出占用点数:16点(I/O分配:输出16点)
外线连接方式:18点螺栓端子排(M3*6螺栓)
DC5V内部消耗电流:300mA(TYP.全点ON)
LY20S6外形尺寸:90(H)*28.5(W)*117(D)mm
重量:0.22kg
LY20S6电路结构:
LY20S6端子连接图:
上一产品:LX40C6-CM三菱PLC输入模块
下一产品:LX42C4-CM三菱PLC输入模块
邮箱:https://www.23anji.com
地址:上海市黄浦区黄河路21号鸿祥大厦11层(williamhill英国官网)

williamhill英国官网-三菱电机

JOMO株式会社