
| 品牌 | 其他品牌 | 供货周期 | 一周 |
|---|---|---|---|
| 应用领域 | 环保,化工,电子/电池,电气 |
三菱CC-LINK模块防水型输入模块,AJ65FBTA4-16D价格,AJ65FBTA4-16D供应商,
三菱CC-LINK模块AJ65FBTA4-16D型DC 24V输入模块(负公共端(漏型))
AJ65FBTA4-16D规格说明:
【输入类型】DC 24V输入
【输入点数】16点
【绝缘方式】光耦合器绝缘
【额定输入电压】DC24V
【额定输入电流】约7mA
【使用电压范围】DC20.4~26.4V(波动率5%以内))
【最大同时输入点数】100%
【ON电压/ON电流】14V以上/3.5mA以上
【OFF电压/OFF电流】6V以下/1.7mA以下
【输入电阻】约3.3kΩ
【响应时间】OFF->ON / ON->OFF 都为1.5ms以下(DC24V时)
【公共端方式】16点1公共端(防水连接器2~4线式)
【输入形式】负公共端(漏型)
【占用站数】1站分配32点(使用32点)
【I/O模块电源】
电压:DC20.4~26.4V(波动率5%以内)
电流:40mA以下((DC24V,全部点ON时)
【噪声强度】通过DC型的噪声电压 500VP-P、噪声宽度1μs、噪声频率25~60Hz的噪声模拟器所产生的噪声
【耐电压】DC外部端子汇总-接地间AC500V 1分钟期间
【绝缘电阻】 DC外部端子汇总-接地间 DC500V 绝缘电阻计测量10MΩ以上
【保护等级】IP67
【选项产品】防水帽:A6CAP-WP2
【重量】0.4KG
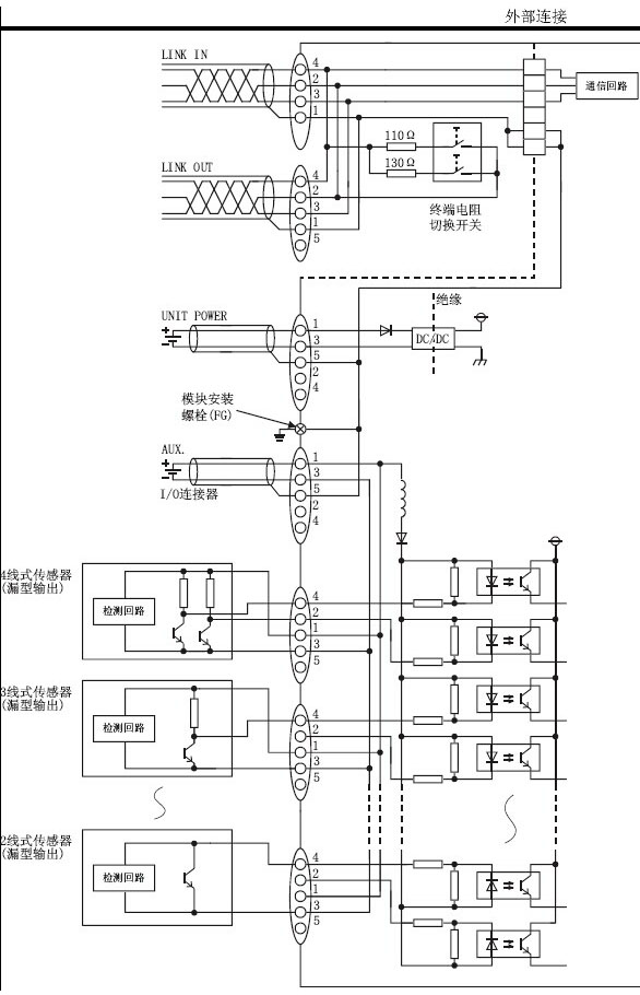
AJ65FBTA4-16D外部连接图

邮箱:https://www.23anji.com
地址:上海市黄浦区黄河路21号鸿祥大厦11层(williamhill英国官网)

williamhill英国官网-三菱电机

JOMO株式会社