
| 品牌 | 其他品牌 | 供货周期 | 一周 |
|---|---|---|---|
| 应用领域 | 环保,化工,电子/电池,电气 |
AJ65SBTB2-8T1三菱cc-link输出模块参数说明:8点晶体管漏型输出 DC12/24V 0.5A/1点 2.4A/1公共端、单线型、响应时间1.5ms、8点/1公共端、端子排连接(低漏电电流)。
三菱cc-link输出模块AJ65SBTB2-8T1产品参数/规格说明:
输出点数:8点
绝缘方式:光耦合器绝缘
额定负荷电压:DC12/24V
使用负荷电压范围: DC10.2~26.4V(波动率5%以内)
最大负荷电流:0.5A/1点,2.4A/1公共端
最大突入电流:1.0A 10ms以下
OFF时泄源电流:0.1mA以下
ON时最大电压降:0.3V以下(TYP)0.5A 0.6V以下(MAX) 0.5A
输出形式:漏型
保护功能:无
响应时间:OFF->ON:0.5ms以下、ON->OFF:1.5ms以下(电阻负荷)
输出部分外部供给电源:
电压:DC10.2~26.4V (波动率5%以内)
电流:17.8mA(TYP.DC24V/1公共端)不包含外部负荷电流
过电流抑制器:齐纳二极管
公共端方式:8点1公共端(端子排型1线式)
占用站数:1站 分配32点(使用16点)
I/O模块电源:
电压:DC20.4~26.4V(波动率5%以内)
电流:45mA以下((DC24V,全部点ON时)
噪声强度:由模拟噪声1500VP-P、噪声宽度1μs、噪声频率25~60Hz的噪声模拟器所产生的噪声
耐电压:DC外部端子汇总-接地间AC500V 1分钟期间
绝缘电阻: DC外部端子汇总-接地间 DC500V 绝缘电阻计测量10MΩ以上
保护等级:IP2X
重量:0. 18kg
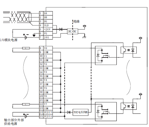
AJ65SBTB2-8T1外部连接图

下一产品:AJ65BT-64RD3三菱PLC模块
邮箱:https://www.23anji.com
地址:上海市黄浦区黄河路21号鸿祥大厦11层(williamhill英国官网)

williamhill英国官网-三菱电机

JOMO株式会社