咨询热线(微信同号)
18610889977
PRODUCTS/ 产品展示
首页  >  产品展示  >  三菱PLC  >  三菱CC-LINK模块  >  三菱cc-link输出模块

三菱cc-link输出模块

简要描述:AJ65SBTB2-8T三菱cc-link输出模块参数说明:8点晶体管漏型输出 DC12/24V 0.5A/1点 2.4A/1公共端、单线型、响应时间1.5ms、8点/1公共端、端子排连接。

产品目录
详细介绍
品牌其他品牌供货周期一周
应用领域环保,化工,电子/电池,电气

AJ65SBTB2-8T三菱cc-link输出模块参数说明:8点晶体管漏型输出 DC12/24V 0.5A/1点 2.4A/1公共端、单线型、响应时间1.5ms、8点/1公共端、端子排连接。

三菱cc-link输出模块AJ65SBTB2-8T产品参数/规格说明:
  输出点数:8点
  绝缘方式:光耦合器绝缘                             
  额定负荷电压:DC12/24V
  使用负荷电压范围: DC10.2~26.4V(波动率5%以内)                   
  最大负荷电流:0.5A/1点,2.4A/1公共端 
  最大突入电流:1.0A 10ms以下
  OFF时泄源电流:0.25mA以下                     
  ON时最大电压降:0.3V以下(TYP)0.5A 0.6V以下(MAX) 0.5A
  输出形式:漏型
  保护功能:过载、过电压、过热保护功能
  响应时间:OFF->ON:0.5ms以下、ON->OFF:1.5ms以下(电阻负荷) 
  输出部分外部供给电源:
    电压:DC10.2~26.4V (波动率5%以内)
    电流:17.8mA(TYP.DC24V/1公共端)不包含外部负荷电流
  过电流抑制器:齐纳二极管                   
  公共端方式:8点1公共端(端子排型1线式)                                   
  占用站数:1站 分配32点(使用16点)                                         
  I/O模块电源:
    电压:DC20.4~26.4V(波动率5%以内)                                
    电流:45mA以下((DC24V,全部点ON时)                                  
  噪声强度:由模拟噪声1500VP-P、噪声宽度1μs、噪声频率25~60Hz的噪声模拟器所产生的噪声               
  耐电压:DC外部端子汇总-接地间AC500V 1分钟期间                 
  绝缘电阻: DC外部端子汇总-接地间 DC500V 绝缘电阻计测量10MΩ以上
  保护等级:IP2X
  重量:0. 18kg

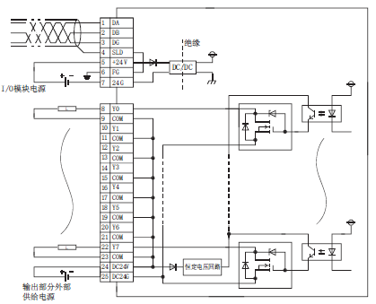
AJ65SBTB2-8T外部连接图


产品咨询

留言框

  • 产品:

  • 您的单位:

  • 您的姓名:

  • 联系电话:

  • 常用邮箱:

  • 省份:

  • 详细地址:

  • 补充说明:

  • 验证码:

    请输入计算结果(填写阿拉伯数字),如:三加四=7
推荐产品
联系方式

邮箱:https://www.23anji.com

地址:上海市黄浦区黄河路21号鸿祥大厦11层(williamhill英国官网)

咨询热线(微信同号)

18610889977

(周一至周日9:00- 19:00)

在线咨询
  • williamhill英国官网-三菱电机

  • JOMO株式会社

Copyright©2026 williamhill英国官网 All Right Reserved    备案号:沪ICP备2022022333号-4    sitemap.xml