
| 品牌 | 其他品牌 | 供货周期 | 一周 |
|---|---|---|---|
| 应用领域 | 环保,化工,电子/电池,电气 |
三菱PLC模块 FX2NC-16EX-T特点:
◆ 16点扩展输入
◆ FX1NC,FX3GC,FX2NC,FX3UC可以直接连此设备
◆ 由基本单元内部供电
三菱PLC模块 FX2NC-16EX-T性能规格:
◆ 输入点数:16点
◆ 输入连接方式:欧洲端子台
◆ 输入方式:漏型
◆ 输入信号电压:DC24V +20% -15% 波动(p-p)5%以内
◆ 输入电阻:4.3kΩ
◆ 输入信号电流:5mA/DC24V
◆ 输入ON电流灵敏度:3.5mA以上
◆ 输入OFF电流灵敏度:1.5mA以下
◆ 响应时间:10ms
◆ 输入信号形式:无线电压焊点输入或者NPN晶体管开路集电极
◆ 开路漏电电流:0.1mA以下/DC30V
◆ ON电压:1.5V以下
◆ 回路绝缘:光电耦合器隔离
◆ 重量:0.1.5KG
FX2NC-16EX-T面价:1080
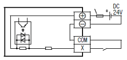
FX2NC-16EX-T输入回路图:

多年专注于工业自动化产品销售及技术支持的高新科技企业,提供三菱PLC,三菱伺服,三菱触摸屏,三菱变频器;拥有三菱PLC,三菱触摸屏,三菱伺服,三菱变频器价格优势;提供三菱PLC,三菱触摸屏报价最新信息!
专业从事工业自动化工程项目设计、安装、调试等服务和销售各类工业自动化产品。颇具实力的工程技术服务型。承接各类自动化系统的升级,对市场上现在流行的品牌都比较熟悉。

英国上市公司365-三菱电机

JOMO株式会社