
| 品牌 | 其他品牌 | 供货周期 | 一周 |
|---|---|---|---|
| 应用领域 | 环保,化工,电子/电池,电气 |
FX3S-20MR/ES价格,FX3S-20MR/ES供应商,三菱PLC销售!FX3S-20MR/ES是三菱FX3S系列的PLC,FX3S-20MR-ES用于代替FX1S-20MR-001。3S-20MR重量0.4kg ,FX3S-20MR外形尺寸W*H*D[mm]75*75*90
FX3S-20MR/ES参数说明:AC电源、12点DC24V(漏/源型)输入,8点继电器输出
三菱PLC FX3S-20MR/ES产品详细说明
【FX3S-20MR/ES电源规格】
◆ 电源电压:AC100~240V
◆ 电源电压允许范围:AC85~264V
◆ 额定频率:50/60Hz
◆ 允许瞬时停电时间:对l0ms以下的瞬时停电会继续运行
◆ 电源保险丝:250V 1A
◆ 冲击电流:最大15A 5ms以下/AC100V,最大28A 5ms以下/AC200V
◆ 消耗功率:20W
◆ DC24V供给电源:400mA
【FX3S-20MR/ES输入规格】
◆ 输入形式:DC24V输入(漏/源型)
◆ 输入的连接方式:固定式端子(M3螺丝)
◆ 输入点数:12点
◆ 输入信号电压:DC24V +10%
◆ 输入信号电流:7mA/DC24V(X010以后,5mA/DC24V)
◆ 输入ON电流:4.5mA以上(X010以后,3.5mA/DC24V)
◆ 输入ON电流:4.5mA以上
◆ 输入OFF电流:1.5mA以下
◆ 输入响应时间:约10ms
◆ 输入信号形式:
漏型:无电压触点输入或是NPN开电极管输入
源型:无电压触点输入或是PNP开电极管输入
◆ 回路绝缘:光耦绝缘
◆ 输入动作表示:输入ON时LED灯亮
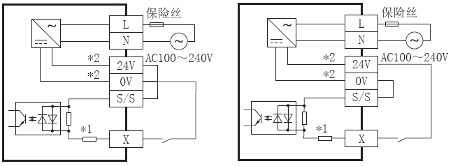
◆ AC电源型输入回路的结构
漏型输入接线 源型输入接线

【FX3S-20MR/ES输出规格】
◆ 输出类型:继电器
◆ 输出点数:8点
◆ 输出的连接方式:固定式端子(M3螺丝)
◆ 外部电源:DC30V以下、AC240V以下(不符合CE、UL、cUL规格时为AC250V以下)
◆ 最大电阻负载:2A/1点
◆ 最大感性负载:80VA(符合U、cUL规格时为AC120V, 240V)
◆ 最小负载:DC5V 2mA
◆ 响应时间:约10ms
◆ 回路绝缘:机械隔离
◆ 动作表示:继电器通电时面板上的LED灯亮
◆ 输出回路的结构图
上一产品:FX3S-20MR/DS三菱PLC
下一产品:FX3S-30MR/ES三菱PLC
邮箱:https://www.23anji.com
地址:上海市黄浦区黄河路21号鸿祥大厦11层(williamhill英国官网)

williamhill英国官网-三菱电机

JOMO株式会社