
| 品牌 | 其他品牌 | 供货周期 | 一周 |
|---|---|---|---|
| 应用领域 | 环保,化工,电子/电池,电气 |
三菱PLCFX3S-30MT/ES-2AD参数说明:16入/14出(晶体管漏型),2点模拟量电压输入,AC电源
三菱PLC FX3S-30MT/ES-2AD产品详细说明
【FX3S-30MT/ES-2AD电源规格】
◆ 电源电压:AC100~240V
◆ 电源电压允许范围:AC85~264V
◆ 额定频率:50/60Hz
◆ 允许瞬时停电时间:对l0ms以下的瞬时停电会继续运行
◆ 电源保险丝:250V 1A
◆ 冲击电流:最大15A 5ms以下/AC100V,最大28A 5ms以下/AC200V
◆ 消耗功率:21W
◆ DC24V供给电源:400mA
【FX3S-30MT/ES-2AD输入规格】
◆ 输入形式:漏/源型
◆ 输入的连接方式:固定式端子(M3螺丝)
◆ 输入点数:16点
◆ 输入信号电压:AC电源型:DC24V +10% DC电源型:DC20.4V~26.4V
◆ 输入电阻:3.3KΩ(X010以后是4.3KΩ)
◆ 输入信号电流:7mA/DC24V(X010以后,5mA/DC24V)
◆ 输入ON电流:4.5mA以上(X010以后,3.5mA/DC24V)
◆ 输入OFF电流:1.5mA以下
◆ 输入响应时间:约10ms
◆ 输入信号形式:
漏型:无电压触点输入或是NPN开电极管输入
源型:无电压触点输入或是PNP开电极管输入
◆ 回路绝缘:光耦绝缘
◆ 输入动作表示:输入ON时LED灯亮
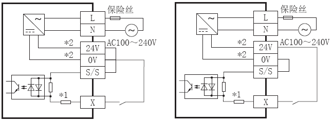
◆ AC电源型输入回路的结构
漏型输入接线 源型输入接线

【FX3S-30MT/ES-2AD输出规格】
◆ 输出类型:晶体管/漏型输出
◆ 输出点数:14点
◆ 输出的连接方式:固定式端子(M3螺丝)
◆ 外部电源:DC5~30V以下
◆ 最大电阻负载:0.5A/1点
◆ 最大感性负载:12W/DC24V
◆ 开路漏电流:0.1mA以下DC30V
◆ ON电压:1.5V以下
◆ 响应时间:
OFF->ON :Y000、Y001:5μs以下/10mA以上(DC5~24V)
ON->OFF:Y002~Y015:0.2ms以下/200mA以上(DC24V)
◆ 回路绝缘:光耦隔离
◆ 动作表示:光耦驱动时面板上的LED灯亮
◆ 漏型输出回路的结构图

上一产品:FX3S-20MT/ES三菱PLC
邮箱:https://www.23anji.com
地址:上海市黄浦区黄河路21号鸿祥大厦11层(williamhill英国官网)

williamhill英国官网-三菱电机

JOMO株式会社