
| 品牌 | 其他品牌 | 供货周期 | 一周 |
|---|---|---|---|
| 应用领域 | 环保,化工,电子/电池,电气 |
三菱cc-link模块AJ65FBTA2-16TE是cc-link的防水型晶体管源型输出模块。
AJ65FBTA2-16TE主要参数:16点,1A晶体管输出(源型),双线型
三菱cc-link模块AJ65FBTA2-16TE详细规格说明:
【输出形式】负载公共端(源型)
【输出点数】16点
【绝缘方式】光耦合器绝缘
【额定负荷电压】DC12~24V
【使用负荷电压范围】DC10.2~28.8V(波动率5%以内)
【最大负荷电流】1.0A/1点,4A/1公共端
【最大突入电流】2.0A 10ms以下
【OFF时泄漏电流】0.3mA以下
【ON时最大电压降】0.15V以下(TYP) 1.0A;0.2V以下(MAX)1.0A
【响应时间】
◆ OFF->ON:0.5ms以下
◆ ON->OFF:1.5ms以下(电阻负荷)
【保护功能】过载、过热保护功能(发生了保护因此LED亮灯)
【输出部分外部供给电源:
◆ 电压:DC10.2~28.8V (波动率5%以内)
◆ 电流:30mA(DC24V、全部点ON时)不包含外部负荷电流
【过电流抑制器】齐纳二极管
【公共端方式】16点1公共端(防水连接器型2线式)
【占用站数】1站 分配32点(使用16点)
【I/O模块电源】
◆ 电压:DC20.4~26.4V(波动率5%以内)
◆ 电流:50mA以下((DC24V,全部点ON时)
【噪声强度】由模拟噪声1500VP-P、噪声宽度1μs、噪声频率25~60Hz的噪声模拟器所产生的噪声
【耐电压】DC外部端子汇总-接地间AC500V 1分钟期间
【绝缘电阻】DC外部端子汇总-接地间 DC500V 绝缘电阻计测量1OMΩ以上
【保护等级】IP67
【重量】0.4KG AJ65FBTA2-16TE面价价格:5610
【选项产品】防水帽:A6CAP-WP2
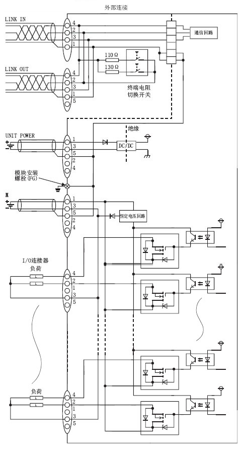
AJ65FBTA2-16TE外部连接图:


英国上市公司365-三菱电机

JOMO株式会社