咨询热线(微信同号)
18610889977
PRODUCTS/ 产品展示
首页  >  产品展示  >  三菱PLC  >  三菱CC-LINK模块  >  三菱cc-link输入模块

三菱cc-link输入模块

简要描述:三菱cc-link输入模块参数说明:DC输入16点 DC24V 5mA、响应时间1.5ms、16点1公共端(防水连接器型4 线式)、正负公共端(漏型/源型)共用型

产品目录
详细介绍
品牌其他品牌供货周期一周
应用领域环保,化工,电子/电池,电气

AJ65VBTCE3-16D三菱cc-link输入模块参数说明:DC输入16点 DC24V 5mA、响应时间1.5ms、16点1公共端(防水连接器型4 线式)、正负公共端(漏型/源型)共用型

三菱cc-link输入模块AJ65VBTCE3-16D产品规格详细介绍:
AJ65VBTCE3-16D相关资料:
1、
AJ65VBTCE3-16D用户手册 使用手册 操作手册
2、AJ65VBTCE3-16D外形尺寸:50(H)*100(W)*45.5(D)[mm]
3、AJ65VBTCE3-16D图片地址:

传感器连接器(e-CON)型输入模块
AJ65VBTCE3-16D型DC 24V输入模块(正公共端(漏型))
【输入类型】DC 24V输入
【输入点数】16点
【绝缘方式】光耦合器绝缘                             
【额定输入电压】DC24V                      
【额定输入电流】约5mA                      
【使用电压范围】DC19.2~26.4V(波动率5%以内))    
【最大同时输入点数】100% /62.5%          
【ON电压/ON电流】14V以上/3.5nA以上                     
【OFF电压/OFF电流】6V以下/1.7mA以下                    
【输入电阻】约4.7kΩ            
【响应时间】OFF->ON / ON->OFF 都为1.5ms以下(DC24V时)                  
【公共端方式】16点1公共端(传感器连接器(e-CON) 3线式)
【输入形式】正公共端(漏型)                                  
【占用站数】1站 分配32点(使用8点)                                         
【I/O模块电源】
    电压:DC20.4~26.4V(波动率5%以内)                                
    电流:35mA以下((DC24V,全部点ON时)                                  
【噪声强度】通过DC型的噪声电压 500VP-P、噪声宽度1μs、噪声频率25~60Hz的噪声模拟器所产生的噪声                
【耐电压】DC外部端子汇总-接地间AC500V 1分钟期间                 
【绝缘电阻】DC外部端子汇总-接地间 DC500V 绝缘电阻计测量10MΩ以上                               
【保护等级】IP1XB
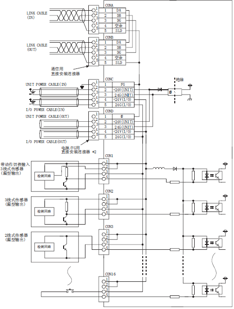
【外部连接方式】
   通信部分:
       通信用直接安装连接器[传送回路]
       (5针/压接型、连接器用插座另售:A6CON-L5P)
       <选项>通信用在线连接器:A6CON-LJ5P
   电源部分:
       电源/FG用直接安装连接器[I/O模块电源/FG]
       (5针/压接型、连接器用插座另售:A6CON-PW5P、A6CON-PW5P-SOD)
       <选项>电源用在线连接器:A6CON-PWJ5P
   输入输出部分:
       传感器连接器(e-CON)[I/O信号](4针/压接型、连接器用插座另售)            
【适用DIN轨】TH35-7.5Fe、TH35-7.5A1(基于JIS C 2812标准)                 
【适用电线尺寸】
  通信用连接器:适用电缆:FANC-110SBH、CS-110
  电源/FG用连接器:
       0.66~0.98mm2 (AWG18)
       [Ф2.2~3.0mm(A6CON-PW5P、Ф2.0~2.3mm(A6CON-PW5P-SOD)]
       裸线直径 0.16mm以上
       绝缘覆盖材质 PVC(耐热聚氯乙烯)
  输入输出用连接器:传感器连接器(e-CON)连接器,用插座另售
          连接线0.08~1.5mm2 (AWG28~16),根据所使用的连接器插座的不同面有所不同
【重量】0.10KG

AJ65VBTCE3-16D外部连接图
   


产品咨询

留言框

  • 产品:

  • 您的单位:

  • 您的姓名:

  • 联系电话:

  • 常用邮箱:

  • 省份:

  • 详细地址:

  • 补充说明:

  • 验证码:

    请输入计算结果(填写阿拉伯数字),如:三加四=7
推荐产品
联系方式

邮箱:https://www.23anji.com

地址:上海市黄浦区黄河路21号鸿祥大厦11层(williamhill英国官网)

咨询热线(微信同号)

18610889977

(周一至周日9:00- 19:00)

在线咨询
  • williamhill英国官网-三菱电机

  • JOMO株式会社

Copyright©2026 williamhill英国官网 All Right Reserved    备案号:沪ICP备2022022333号-4    sitemap.xml