
| 品牌 | 其他品牌 | 供货周期 | 一周 |
|---|---|---|---|
| 应用领域 | 环保,化工,电子/电池,电气 |
AJ65SBTC1-32T三菱cc-link输出模块、直接安装连接器型输出模块。AJ65SBTC1-32T价格 AJ65SBTC1 32T、AJ65SBTC132T。
AJ65SBTC1-32T参数说明:晶体管漏型输出32点、DC12/24V 0.1A/1点 3.2A/1公共端、响应时间1.5ms 32点1公共端、1线式。
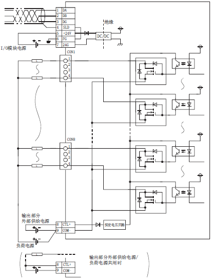
三菱cc-link输出模块AJ65SBTC1-32T产品详细说明:
输出点数:32点
绝缘方式:光耦合器绝缘
额定负荷电压:DC12/24V
使用负荷电压范围:DC10.2~26.4V(波动率5%以内)
最大负荷电流:0.1A/1点,0.8A/1公共端
最大突入电流:1.0A 10ms以下
OFF时泄漏电流:0.25mA以下
ON时最大电压降:0.3V以下(TYP) 0.1A;0.6V以下(MAX)0.1A
输出形式:漏型
保护功能:过载保护功能、过电压保护功能、过热保护功能
响应时间:
OFF->ON:0.5ms以下
ON->OFF:1.5ms以下(电阻负荷)
输出部分外部供给电源:
电压:DC10.2~26.4V (波动率5%以内)
电流:50mA(DC24V 全部点ON时)不包含外部负荷电流
过电流抑制器:齐纳二极管
公共端方式:32点1公共端(直接安装连接器型1线式)
占用站数:1站 分配32点(使用32点)
I/O模块电源:
电压:DC20.4~26.4V(波动率5%以内)
电流:60mA以下(DC24V,全部点ON时)
噪声强度:由模拟噪声1500VP-P、噪声宽度1μs、噪声频率25~60Hz的噪声模拟器所产生的噪声
耐电压:DC外部端子汇总-接地间AC500V 1分钟期间
绝缘电阻: DC外部端子汇总-接地间 DC500V 绝缘电阻计测量1OMΩ以上
保护等级:IP2X
AJ65SBTC1-32T重量:0.16kg
AJ65SBTC1-32T相关资料:
1、图片:
2、AJ65SBTC1-32T用户手册 使用手册 操作手册 操作说明书
3、外形尺寸:100(H)*40(W)*43.5(D)[mm]
4、重量:0.16KG
5、外部连接图

邮箱:https://www.23anji.com
地址:上海市黄浦区黄河路21号鸿祥大厦11层(williamhill英国官网)

williamhill英国官网-三菱电机

JOMO株式会社